VÝHODY PROFILOVÉHO SYSTÉMU
VÝHODY PROFILOVÉHO SYSTÉMU
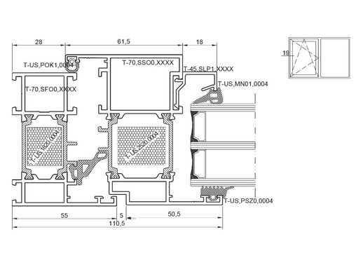
systém izool 70 umožňuje použití různých typů výplní hrubé 19 - 53 mm
umožňuje snadné připojení k jiným systémům izool®, jako jsou fasády a zimní zahrady, možnost ohýbaných konstrukcí
extrémně stabilní a tvarově stálý i při intenzivnějším namáhání
možnosti provedení: fix, otevíravé, sklopné, otvíravě - sklopné, otvíravě-posuvné
vhodný pro novostavby a rekonstrukce

Tepelná izolace

Stavební šířka

Zasklení

Zvukotěsnost

Vodotěsnost
